Skip to content

ardirjs/sim800l-lora

Folders and files

NameName
Last commit message
Last commit date

Latest commit

 

History

6 Commits
 
 
 
 
 
 
 
 
 
 
 
 

Repository files navigation

SIM800L Lora

  • Using a GSM modem
  • Using star network topology
  • Work using the addressing of each lora
  • Sending data to the server using the GET php command with SSL
  • You can try this project by looking at this WEBPAGE
    • https://project.rjsdevs.icu/sim800l-lora/posts.php?sensor=[1, 2, 3, etc...]

Built With

Library Dependencies

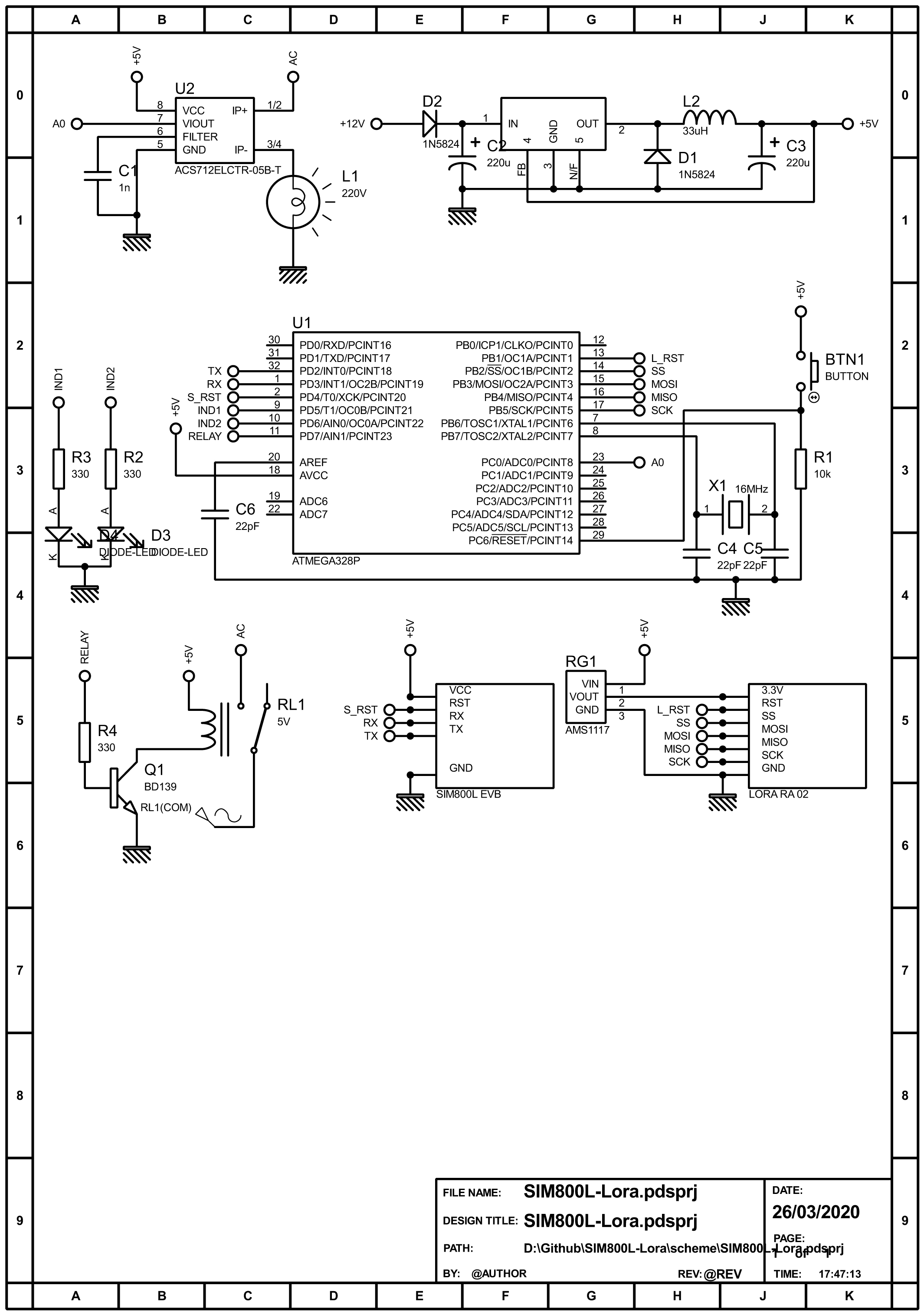
Scheme

  • You can see the SCHEME for details

License

  • This project is licensed under the MIT License - see the LICENSE file for details

About

SIM800L with Lora communication

Topics

Resources

License

Stars

Watchers

Forks

Releases

No releases published

Packages

No packages published